- Foro
- Foros sobre Micología de fungipedia
- Microscopía
- Caribe 2025: Elmerina minipora (F. Wu, Y.C. Dai & L.W. Zhou) R.L.M. Alvarenga
Caribe 2025: Elmerina minipora (F. Wu, Y.C. Dai & L.W. Zhou) R.L.M. Alvarenga
- Josep Torres
-
Autor del tema
- Fuera de línea
- Moderador
-
Menos
Más
- Mensajes: 8746
- Gracias recibidas: 8379
9 meses 2 días antes #110583
por Josep Torres
Caribe 2025: Elmerina minipora (F. Wu, Y.C. Dai & L.W. Zhou) R.L.M. Alvarenga Publicado por Josep Torres
Hola.
Un Polyporal fotografiado el 5 de marzo pasado, brotando sobre la superficie de un tronco tropical del suelo, en el espacio Natural de "Ojos Indígenas" (Punta Cana).
La secuenciación del gen ITS determinó que se trataba con una coincidencia del 100% de:
Elmerina minipora (F. Wu, Y.C. Dai & L.W. Zhou) R.L.M. Alvarenga.
Superficie poroide a 20 aumentos:
Superficie pileica a 20 aumentos:
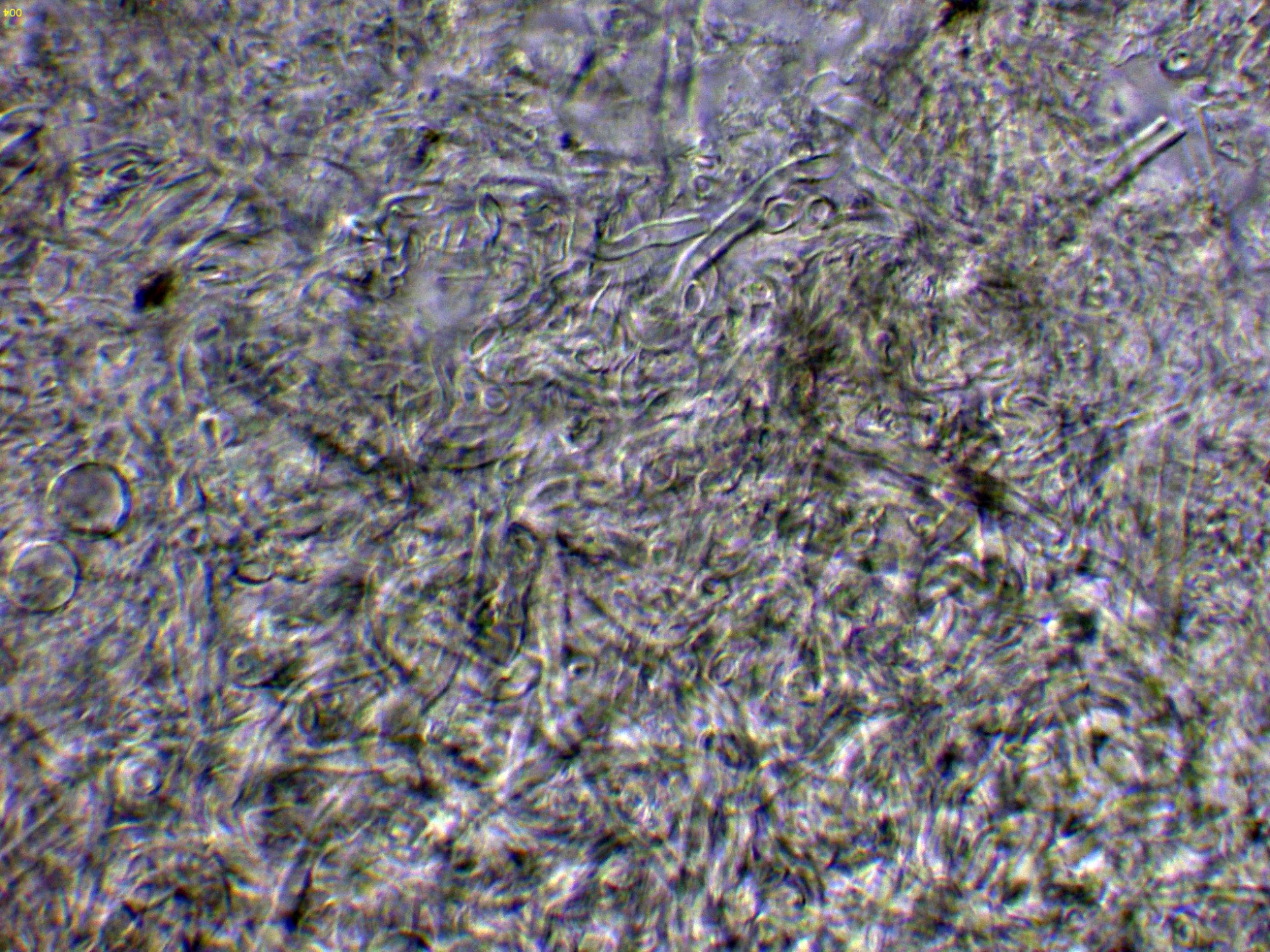
Las hifas del píleo en agua:
La Elmerina minipora se trata de una Auriculariaceae, y se corresponde con un sistema hifal monomítico, sin fíbulas en los tabiques.
Las hifas subiculares en solución de Rojo Congo:
Las hifas subiculares en Reactivo de Melzer:
Las hifas subiculares en solución de KOH:
Basidios muy inmersos en el contexto y de difícil observación.
Los basidios en solución de KOH:
Los basidios en Reactivo de Melzer:
Los basidios en solución de Rojo Congo diluido:
Una ampliación de estos basidios en el mismo medio:
Esporas libres en solución de KOH:
Esporas obtenidas por esporulación natural en Reactivo de Melzer:
Y las esporas obtenidas por esporulación natural y en agua:
Estas esporas en agua con unas medidas de:
(4.9) 5.1 - 5.8 (6.1) × (2.7) 2.9 - 3.4 (3.9) µm
Q = (1.4) 1.5 - 1.9 (2.1) ; N = 40
Me = 5.4 × 3.2 µm ; Qe = 1.7
Curiosamente y en el mismo tronco, en uno de los extremos me encontré con una presentación completamente resupinada de la especie:
Los poros a 20 aumentos:
Una ampliación de los poros a 40 aumentos:
Las hifas subiculares en solución de Rojo Congo:
El himenio con los basidios en Reactivo de Melzer:
Los basidios en solución de Rojo Congo:
Y unas imágenes de las esporas en agua:
En una nueva medición, estas esporas obtenidas por esporulación natural y en agua con unas medidas de:
(4.6) 5 - 5.9 (6.1) × (2.9) 3.1 - 3.8 (4.1) µm
Q = (1.4) 1.5 - 1.7 (1.8) ; N = 40
Me = 5.4 × 3.4 µm ; Qe = 1.6
En ambos casos con unas medidas esporales muy parecidas.
La Elmerina minipora es una especie de muy reciente creación ((F. Wu, Y.C. Dai & L.W. Zhou) R.L.M. Alvarenga 2023) y ni tan siquiera el género Elmerina aparece en ninguno de los tres tomos del trabajo de Ryvarden "Neotropical polypores", considerándose un género solo propio del Este de Asia y de Australia.
Quizás estemos ante la primera cita de la especie para el Continente Americano.
Para no dejar ningún cabo suelto, añado el árbol filogenético del gen ITS:
Aquí mi especie el Polyporal_JTP_ 5-3-2025, aparece muy bien alineado con la Elmerina minipora, y como especies más próximas a nivel molecular, tenemos la Elmerina dimidiata y la Elmerina efibulata, luego en otro Clado próximo tenemos ya la Elmerina sclerodontia y la Elmerina obtusispora.
Saludos.
Un Polyporal fotografiado el 5 de marzo pasado, brotando sobre la superficie de un tronco tropical del suelo, en el espacio Natural de "Ojos Indígenas" (Punta Cana).
La secuenciación del gen ITS determinó que se trataba con una coincidencia del 100% de:
Elmerina minipora (F. Wu, Y.C. Dai & L.W. Zhou) R.L.M. Alvarenga.
Superficie poroide a 20 aumentos:
Superficie pileica a 20 aumentos:
Las hifas del píleo en agua:
La Elmerina minipora se trata de una Auriculariaceae, y se corresponde con un sistema hifal monomítico, sin fíbulas en los tabiques.
Las hifas subiculares en solución de Rojo Congo:
Las hifas subiculares en Reactivo de Melzer:
Las hifas subiculares en solución de KOH:
Basidios muy inmersos en el contexto y de difícil observación.
Los basidios en solución de KOH:
Los basidios en Reactivo de Melzer:
Los basidios en solución de Rojo Congo diluido:
Una ampliación de estos basidios en el mismo medio:
Esporas libres en solución de KOH:
Esporas obtenidas por esporulación natural en Reactivo de Melzer:
Y las esporas obtenidas por esporulación natural y en agua:
Estas esporas en agua con unas medidas de:
(4.9) 5.1 - 5.8 (6.1) × (2.7) 2.9 - 3.4 (3.9) µm
Q = (1.4) 1.5 - 1.9 (2.1) ; N = 40
Me = 5.4 × 3.2 µm ; Qe = 1.7
Curiosamente y en el mismo tronco, en uno de los extremos me encontré con una presentación completamente resupinada de la especie:
Los poros a 20 aumentos:
Una ampliación de los poros a 40 aumentos:
Las hifas subiculares en solución de Rojo Congo:
El himenio con los basidios en Reactivo de Melzer:
Los basidios en solución de Rojo Congo:
Y unas imágenes de las esporas en agua:
En una nueva medición, estas esporas obtenidas por esporulación natural y en agua con unas medidas de:
(4.6) 5 - 5.9 (6.1) × (2.9) 3.1 - 3.8 (4.1) µm
Q = (1.4) 1.5 - 1.7 (1.8) ; N = 40
Me = 5.4 × 3.4 µm ; Qe = 1.6
En ambos casos con unas medidas esporales muy parecidas.
La Elmerina minipora es una especie de muy reciente creación ((F. Wu, Y.C. Dai & L.W. Zhou) R.L.M. Alvarenga 2023) y ni tan siquiera el género Elmerina aparece en ninguno de los tres tomos del trabajo de Ryvarden "Neotropical polypores", considerándose un género solo propio del Este de Asia y de Australia.
Quizás estemos ante la primera cita de la especie para el Continente Americano.
Para no dejar ningún cabo suelto, añado el árbol filogenético del gen ITS:
Aquí mi especie el Polyporal_JTP_ 5-3-2025, aparece muy bien alineado con la Elmerina minipora, y como especies más próximas a nivel molecular, tenemos la Elmerina dimidiata y la Elmerina efibulata, luego en otro Clado próximo tenemos ya la Elmerina sclerodontia y la Elmerina obtusispora.
Saludos.
Adjuntos:
Por favor, Identificarse para unirse a la conversación.
- Foro
- Foros sobre Micología de fungipedia
- Microscopía
- Caribe 2025: Elmerina minipora (F. Wu, Y.C. Dai & L.W. Zhou) R.L.M. Alvarenga
Tiempo de carga de la página: 0.267 segundos



Foro de micología