- Foro
- Foros sobre Micología de fungipedia
- Microscopía
- Salida de primavera de Asmicas: Discina gigas (Krombh.) Eckblad
Salida de primavera de Asmicas: Discina gigas (Krombh.) Eckblad
- Josep Torres
-
Autor del tema
- Fuera de línea
- Moderador
-
Menos
Más
- Mensajes: 8746
- Gracias recibidas: 8379
1 año 10 meses antes #109991
por Josep Torres
Hola a tod@s.
Una especie que tenía pendiente de estudio, recolectada con los compañeros de Asmicas en Montes Universales (Teruel).
Discina gigas (Krombh.) Eckblad
Syn: Gyromitra gigas
En cuanto al aspecto macroscópico disponemos de una excelente descripción en la ficha de nuestra casa.
www.fungipedia.org/hongos/gyromitra-gigas.html
Solo un par de ejemplares, uno en estado primordial y el otro ya pasado
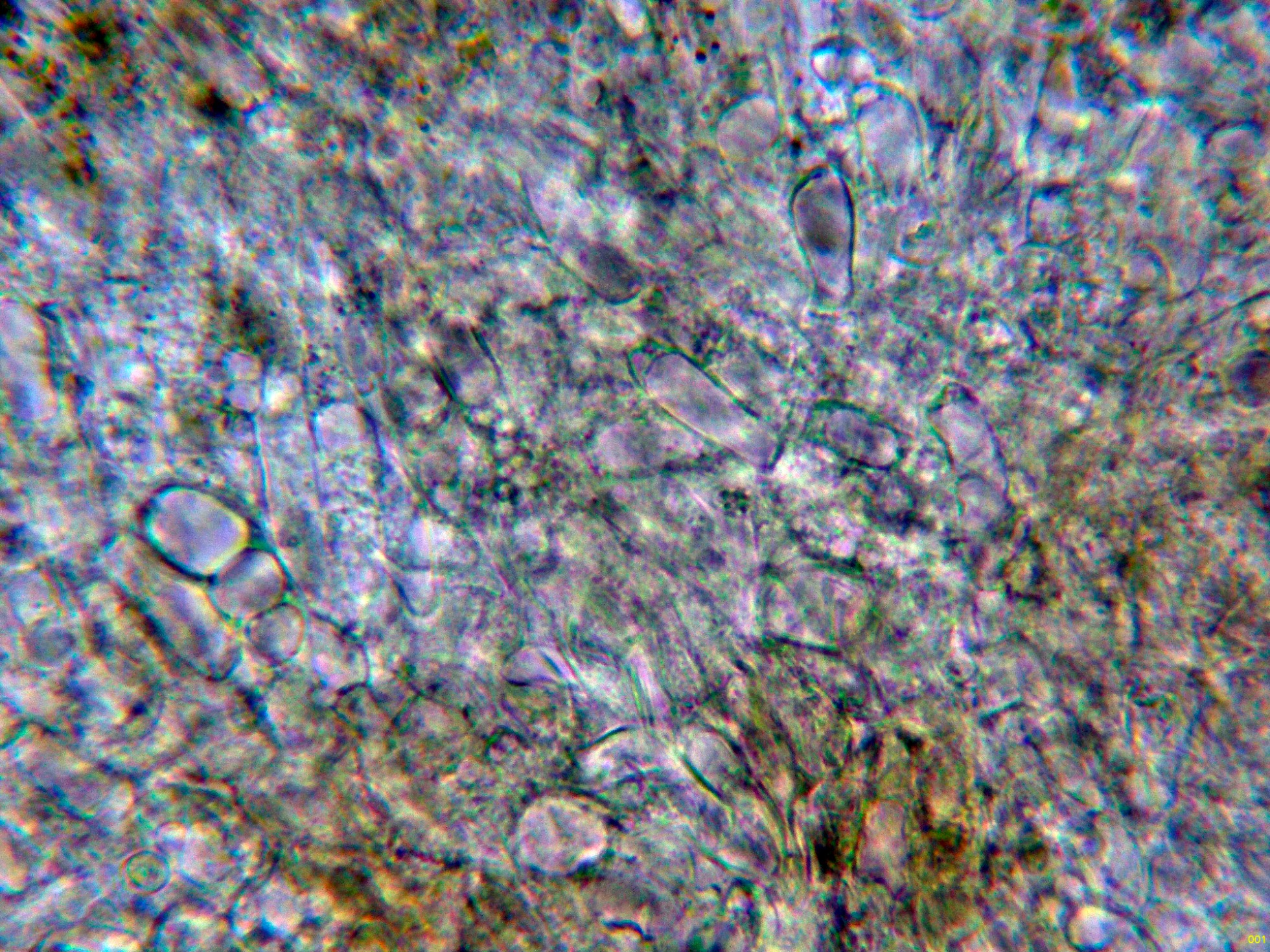
Vamos con la microscopía:
El excípulo medular en agua.
El excípulo ectal o externo en agua.
En el himenio del ejemplar joven aún no se habían formado los ascos.
El himenio en agua.
En el ejemplar maduro, aunque los ascos ya estaban muertos, si que pude observar esporas en su interior.
Los ascos en agua a 400 aumentos.
Los ascos en agua a 1000 aumentos.
A destacar en sus esporas las protuberancias más oscuras en ambos extremos.
Ascos con esporas en reactivo de Melzer.
Los ascos en azul de Lactofenol, para destacar la ornamentación de las esporas.
Las paráfisis en agua.
Y por último las paráfisis en Melzer.
No pude obtener esporas por esporulación natural por motivos obvios, en una medición de las esporas dentro del asco, estas esporas con unas medidas sin contar la ornamentación de:
(26.8) 29.3 - 36 (38.5) × (10.2) 12 - 13.5 (14.3) µm
Q = (2.1) 2.3 - 2.9 (3) ; N = 30
Me = 32.7 × 12.7 µm ; Qe = 2.6
Saludos a tod@s.
Una especie que tenía pendiente de estudio, recolectada con los compañeros de Asmicas en Montes Universales (Teruel).
Discina gigas (Krombh.) Eckblad
Syn: Gyromitra gigas
En cuanto al aspecto macroscópico disponemos de una excelente descripción en la ficha de nuestra casa.
www.fungipedia.org/hongos/gyromitra-gigas.html
Solo un par de ejemplares, uno en estado primordial y el otro ya pasado
Vamos con la microscopía:
El excípulo medular en agua.
El excípulo ectal o externo en agua.
En el himenio del ejemplar joven aún no se habían formado los ascos.
El himenio en agua.
En el ejemplar maduro, aunque los ascos ya estaban muertos, si que pude observar esporas en su interior.
Los ascos en agua a 400 aumentos.
Los ascos en agua a 1000 aumentos.
A destacar en sus esporas las protuberancias más oscuras en ambos extremos.
Ascos con esporas en reactivo de Melzer.
Los ascos en azul de Lactofenol, para destacar la ornamentación de las esporas.
Las paráfisis en agua.
Y por último las paráfisis en Melzer.
No pude obtener esporas por esporulación natural por motivos obvios, en una medición de las esporas dentro del asco, estas esporas con unas medidas sin contar la ornamentación de:
(26.8) 29.3 - 36 (38.5) × (10.2) 12 - 13.5 (14.3) µm
Q = (2.1) 2.3 - 2.9 (3) ; N = 30
Me = 32.7 × 12.7 µm ; Qe = 2.6
Saludos a tod@s.
Adjuntos:
El siguiente usuario dijo gracias: Juan Andrés Román
Por favor, Identificarse para unirse a la conversación.
- Juan Andrés Román
-
- Fuera de línea
- Spammer
-
Menos
Más
- Mensajes: 2558
- Gracias recibidas: 2756
1 año 10 meses antes #109992
por Juan Andrés Román
Respuesta de Juan Andrés Román sobre el tema Salida de primavera de Asmicas: Discina gigas (Krombh.) Eckblad
Buen aporte el de esta vieja conocida.....................Saludos.
El siguiente usuario dijo gracias: Josep Torres
Por favor, Identificarse para unirse a la conversación.
- Foro
- Foros sobre Micología de fungipedia
- Microscopía
- Salida de primavera de Asmicas: Discina gigas (Krombh.) Eckblad
Tiempo de carga de la página: 0.165 segundos



Foro de micología