- Foro
- Foros sobre Micología de fungipedia
- Microscopía
- Otro MIxo, en esta ocasión: Physarum leucophaeum P. (1818)
Otro MIxo, en esta ocasión: Physarum leucophaeum P. (1818)
- Josep Torres
-
Autor del tema
- Fuera de línea
- Moderador
-
Menos
Más
- Mensajes: 8746
- Gracias recibidas: 8379
4 años 4 meses antes #106720
por Josep Torres
Hola a tod@s.
Muy diminutos esporocarpos con pie fotografiados el 7 de Noviembre pasado, brotando sobre pequeños restos leñosos del suelo.
En el momento de la recogida se encontraban en estado primordial y de color blanco.
Un par de ampliaciones a 20 aumentos:
Y un par de imágenes a las 24 horas con un aspecto bastante distinto:
Esporocarpos a 40 aumentos y sus medidas, una de las características del Physarum leucophaeum es su corto pie que en ningún caso llega a la mitad de la altura del esporocarpo (los esporocarpos según bibliografía puede llegar hasta 1,5 mm. de altura total)
Esporada en masa a 100 aumentos, de color negro intenso:
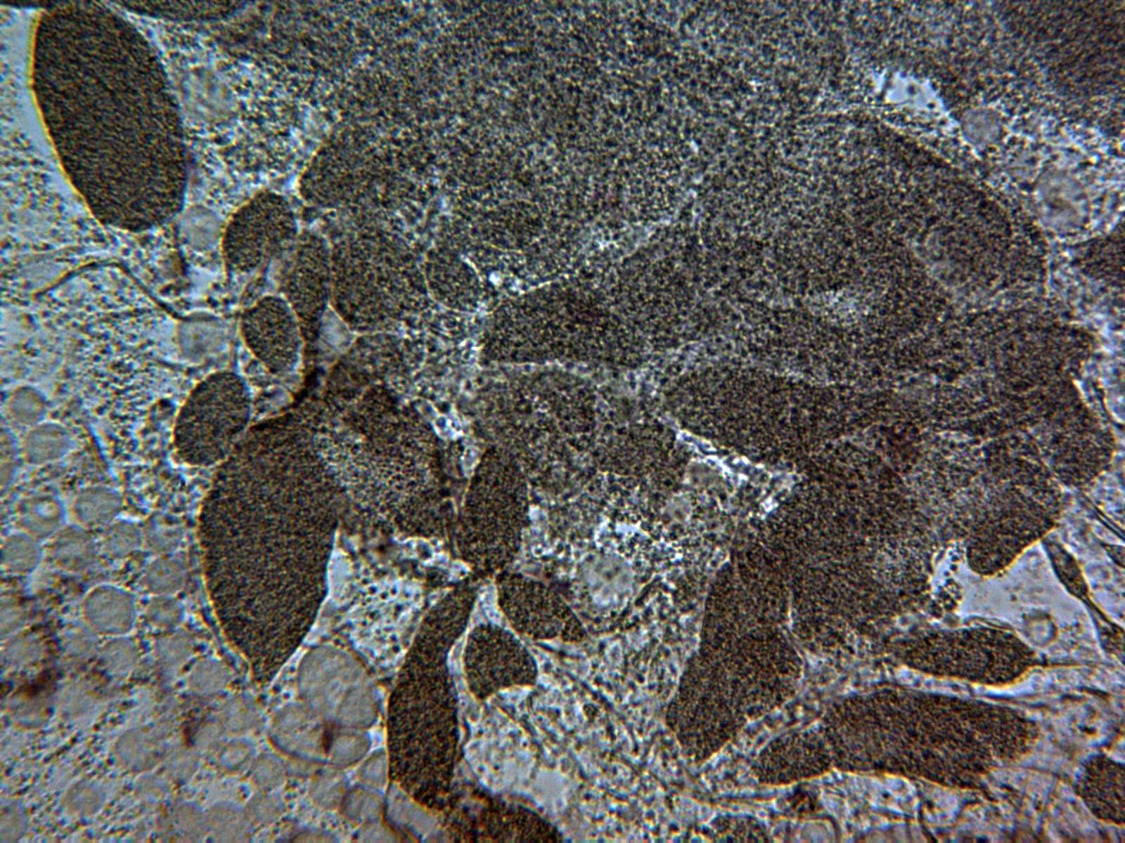
Células madre de los ejemplares jóvenes a 400 aumentos:
Células madre y esporas inmaduras a 1000 aumentos:
Membrana a 400 aumentos:
Capilicio compuesto por filamentos hialinos:
Y las esporas con verrugas finas y de color marrón:
Las medidas de las esporas maduras de:
(8.9) 10 - 11.9 (14.5) × (8.9) 9.2 - 11.3 (12.4) µm
Q = 1 - 1.1 (1.2) ; N = 25
Me = 10.8 × 10.3 µm ; Qe = 1.1
Medidas acordes con las citadas en las Claves de Fernando Bellido de 9-12 µm.
Saludos a tod@s.
Muy diminutos esporocarpos con pie fotografiados el 7 de Noviembre pasado, brotando sobre pequeños restos leñosos del suelo.
En el momento de la recogida se encontraban en estado primordial y de color blanco.
Un par de ampliaciones a 20 aumentos:
Y un par de imágenes a las 24 horas con un aspecto bastante distinto:
Esporocarpos a 40 aumentos y sus medidas, una de las características del Physarum leucophaeum es su corto pie que en ningún caso llega a la mitad de la altura del esporocarpo (los esporocarpos según bibliografía puede llegar hasta 1,5 mm. de altura total)
Esporada en masa a 100 aumentos, de color negro intenso:
Células madre de los ejemplares jóvenes a 400 aumentos:
Células madre y esporas inmaduras a 1000 aumentos:
Membrana a 400 aumentos:
Capilicio compuesto por filamentos hialinos:
Y las esporas con verrugas finas y de color marrón:
Las medidas de las esporas maduras de:
(8.9) 10 - 11.9 (14.5) × (8.9) 9.2 - 11.3 (12.4) µm
Q = 1 - 1.1 (1.2) ; N = 25
Me = 10.8 × 10.3 µm ; Qe = 1.1
Medidas acordes con las citadas en las Claves de Fernando Bellido de 9-12 µm.
Saludos a tod@s.
Adjuntos:
El siguiente usuario dijo gracias: Juan Andrés Román, Roberto
Por favor, Identificarse para unirse a la conversación.
- Juan Andrés Román
-
- Fuera de línea
- Spammer
-
Menos
Más
- Mensajes: 2558
- Gracias recibidas: 2756
4 años 4 meses antes #106725
por Juan Andrés Román
Respuesta de Juan Andrés Román sobre el tema Otro MIxo, en esta ocasión: Physarum leucophaeum P. (1818)
El siguiente usuario dijo gracias: Josep Torres
Por favor, Identificarse para unirse a la conversación.
- Foro
- Foros sobre Micología de fungipedia
- Microscopía
- Otro MIxo, en esta ocasión: Physarum leucophaeum P. (1818)
Tiempo de carga de la página: 0.050 segundos



Foro de micología