Inocybe flocculosa Sacc. (1887)
- Josep Torres
-
Autor del tema
- Fuera de línea
- Moderador
-
Menos
Más
- Mensajes: 8745
- Gracias recibidas: 8379
7 años 6 meses antes #99971
por Josep Torres
Inocybe flocculosa Sacc. (1887) Publicado por Josep Torres
Hola a tod@s.
Especie fotografiada este pasado domingo en un bosque de Pinus sylvestris a 1000 msnm.
Pequeña seta con sombrero mamelonado, de color marrón, con su superficie cubierta por completo de escamas que sugieren una disposición radial.
Pié concoloro con el sombrero y cubierto de fibrillas longitudinales blanquecinas, con la base del mismo engrosada y con restos miceliales. Láminas medianamente espaciadas de color pardo para pasar a marrón rojizo por el efecto de la esporada.
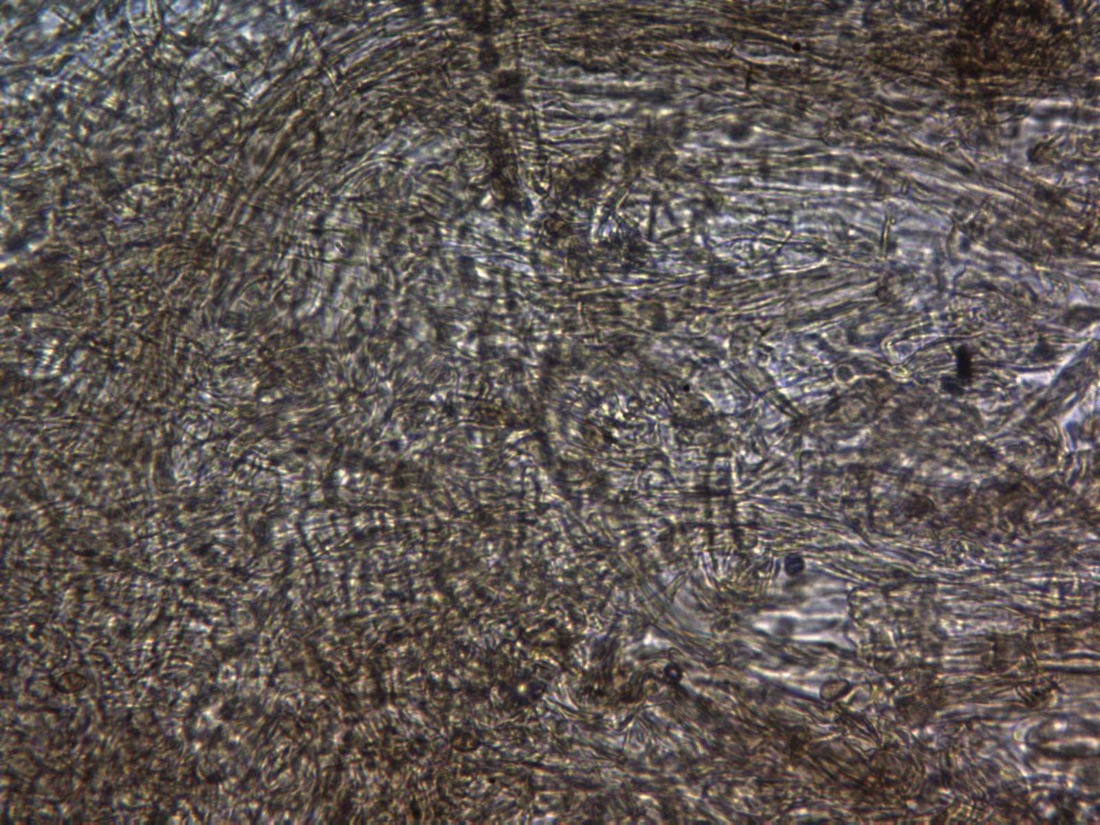
La microscopía:
Cutícula a 400 aumentos, filamentosa con gruesas hifas pigmentadas de color pardo ocráceo.
Arista a 1000 aumentos con algunas hifas globosas que se corresponderían con restos del velo.
Queilocistidios fusiformes, alargados y con restos de cristalizaciones en el ápice.
Pleurocistidios de morfología parecida a los queilocistidios con cristalizaciones.
Un Pleurocistidio de gran tamaño con un largo cuello.
Los cistidios del Inocybe flocculosa se tiñen de amarillo con el amoníaco, dejo unas imágenes.
Un par de imágenes a 400 aumentos donde se puede observar la coloración amarillenta de los mismos.
Cistidio en amoniaco a 1000 aumentos.
Basidios difíciles de observar, mayoritariamente tetraspóricos.
Esporas almendradas de pared gruesa, con apícula, color pardo amarillento y con granulaciones en su interior, en mis mediciones de 8,9;10,4 X 4,5;5,8 micras.
Especie muy parecida al Inocybe lanuginosa, esta última con esporas nodulosas y cistidios con distinta morfología.
Saludos a tod@s.
Especie fotografiada este pasado domingo en un bosque de Pinus sylvestris a 1000 msnm.
Pequeña seta con sombrero mamelonado, de color marrón, con su superficie cubierta por completo de escamas que sugieren una disposición radial.
Pié concoloro con el sombrero y cubierto de fibrillas longitudinales blanquecinas, con la base del mismo engrosada y con restos miceliales. Láminas medianamente espaciadas de color pardo para pasar a marrón rojizo por el efecto de la esporada.
La microscopía:
Cutícula a 400 aumentos, filamentosa con gruesas hifas pigmentadas de color pardo ocráceo.
Arista a 1000 aumentos con algunas hifas globosas que se corresponderían con restos del velo.
Queilocistidios fusiformes, alargados y con restos de cristalizaciones en el ápice.
Pleurocistidios de morfología parecida a los queilocistidios con cristalizaciones.
Un Pleurocistidio de gran tamaño con un largo cuello.
Los cistidios del Inocybe flocculosa se tiñen de amarillo con el amoníaco, dejo unas imágenes.
Un par de imágenes a 400 aumentos donde se puede observar la coloración amarillenta de los mismos.
Cistidio en amoniaco a 1000 aumentos.
Basidios difíciles de observar, mayoritariamente tetraspóricos.
Esporas almendradas de pared gruesa, con apícula, color pardo amarillento y con granulaciones en su interior, en mis mediciones de 8,9;10,4 X 4,5;5,8 micras.
Especie muy parecida al Inocybe lanuginosa, esta última con esporas nodulosas y cistidios con distinta morfología.
Saludos a tod@s.
El siguiente usuario dijo gracias: Juan Andrés Román, javier
Por favor, Identificarse para unirse a la conversación.
- Juan Andrés Román
-
- Fuera de línea
- Spammer
-
Menos
Más
- Mensajes: 2558
- Gracias recibidas: 2756
7 años 6 meses antes #99980
por Juan Andrés Román
Respuesta de Juan Andrés Román sobre el tema Inocybe flocculosa Sacc. (1887)
Buena captura Josep, de visu si que se parece a Inocybe lanuginosa.
Un saludo.
Un saludo.
El siguiente usuario dijo gracias: Josep Torres
Por favor, Identificarse para unirse a la conversación.
- Josep Torres
-
Autor del tema
- Fuera de línea
- Moderador
-
Menos
Más
- Mensajes: 8745
- Gracias recibidas: 8379
7 años 6 meses antes #99986
por Josep Torres
Respuesta de Josep Torres sobre el tema Inocybe flocculosa Sacc. (1887)
Gracias Juan Andrés, ya sabes que con los Inocybe sin micro todo son meras especulaciones, cuando me la encontré mi primera opción era la Inocybe lanuginosa, de aquí mi puntualización al final del Post, haciendo hincapié en el parecido macroscópico.
Un abrazo
Un abrazo
Por favor, Identificarse para unirse a la conversación.
- javier
-
- Fuera de línea
- Moderador
-
Menos
Más
- Mensajes: 5617
- Gracias recibidas: 4356
7 años 6 meses antes #99999
por javier
Respuesta de javier sobre el tema Inocybe flocculosa Sacc. (1887)
Otro gran post y muy completo Josep
salu2 currante
salu2 currante
El siguiente usuario dijo gracias: Josep Torres
Por favor, Identificarse para unirse a la conversación.
Tiempo de carga de la página: 0.149 segundos



Foro de micología